CHM6A
CHM6A无触点触摸传感器 高重复精度定位传感器 替代限位开关 NPN常开,寿命可达到 500 万次甚至更高的耐久性,能够保持稳定可靠的工作状态,减少因传感器故障导致的设备停机时间,降低维护成本,适用于诸如汽车制造生产线、自动化装配设备等高强度使用环境。
特点
1.安装简单可调节型传感器。
2.无触点,可在潮湿腐蚀环境使用。
3.NPN常开输出。
4.动作点偏差小:±1μm的重复精度
5.客户自定义线长和端子。
6.金属外壳密封设计,可工作恶劣环境。
7.性能稳定,寿命超长。
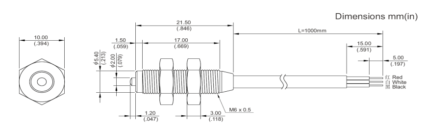
尺寸图

规格参考/接线图







